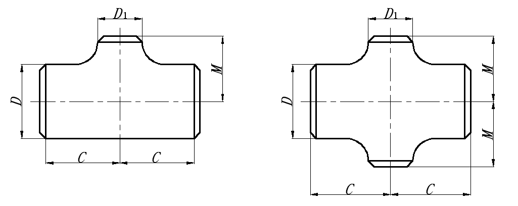
三通
-
以下這些表格整理了,大口徑三通四通的,尺寸,包括口徑、坡口、寬度、高度等等尺寸。
等徑三通和四通尺寸 單位為毫米
|
公稱尺寸 DN |
坡口處外徑 D |
中心至端面 | ||
| Ⅰ系列 | Ⅱ系列 |
管程 C |
出口 M |
|
| 150 | 168.3 | 159 | 143 | 143 |
| 200 | 219.1 | 219 | 178 | 178 |
| 250 | 273.0 | 273 | 216 | 216 |
| 300 | 323.9 | 325 | 254 | 254 |
| 350 | 355.6 | 377 | 279 | 279 |
| 400 | 406.4 | 426 | 305 | 305 |
| 450 | 457 | 480 | 343 | 343 |
| 500 | 508 | 530 | 381 | 381 |
| 550 | 559 | - | 419 | 419 |
| 600 | 610 | 630 | 432 | 432 |
| 650 | 660 | - | 495 | 495 |
| 700 | 711 | 720 | 521 | 521 |
| 750 | 762 | - | 559 | 559 |
| 800 | 813 | 820 | 597 | 597 |
| 850 | 864 | - | 635 | 635 |
| 900 | 914 | 920 | 673 | 673 |
| 950 | 965 | - | 711 | 711 |
| 1000 | 1016 | 1020 | 749 | 749 |
| 1050 | 1067 | - | 762 | 711 |
| 1100 | 1118 | 1120 | 813 | 762 |
| 1150 | 1168 | - | 851 | 800 |
| 1200 | 1219 | 1200 | 889 | 838 |
| 1300 | 1321 | - | 965 | 914 |
| 1350 | 1372 | - | 999 | 940 |
| 1400 | 1422 | 1420 | 1041 | 965 |
| 1450 | 1473 | - | 1080 | 991 |
| 1500 | 1524 | - | 1118 | 1016 |
| 1550 | 1575 | - | 1154 | 1043 |
| 1600 | 1626 | 1620 | 1184 | 1068 |
| 1650 | 1676 | - | 1229 | 1092 |
(續(xù)) 單位為毫

|
公稱尺寸 DN |
坡口處外徑 D |
中心至端面 | ||
| Ⅰ系列 | Ⅱ系列 | Ⅰ系列 | Ⅰ系列 | |
| 1700 | 1727 | - | 1258 | 1118 |
| 1750 | 1778 | - | 1295 | 1143 |
| 1800 | 1829 | 1820 | 1323 | 1168 |
| 1850 | 1880 | - | 1378 | 1195 |
| 1900 | 1930 | - | 1397 | 1220 |
| 1950 | 1981 | - | 1443 | 1244 |
| 2000 | 2032 | 2020 | 1470 | 1271 |
| 2050 | 2083 | - | 1517 | 1296 |
| 2100 | 2134 | - | 1544 | 1322 |
| 2150 | 2184 | - | 1601 | 1346 |
| 2200 | 2235 | 2220 | 1617 | 1372 |
| 2250 | 2286 | - | 1676 | 1397 |
| 2300 | 2337 | - | 1702 | 1423 |
| 2350 | 2388 | - | 1728 | 1448 |
| 2400 | 2438 | 2420 | 1788 | 1473 |
| 2450 | 2489 | - | 1800 | 1500 |
| 2500 | 2540 | - | 1838 | 1525 |
| 2550 | 2590 | - | 1899 | 1549 |
| 2600 | 2642 | 2620 | 1924 | 1575 |
| 2650 | 2692 | - | 1974 | 1600 |
| 2700 | 2743 | - | 1985 | 1627 |
| 2750 | 2794 | - | 2022 | 1652 |
| 2800 | 2845 | 2820 | 2086 | 1677 |
| 2850 | 2896 | - | 2123 | 1702 |
| 2900 | 2946 | - | 2146 | 1728 |
| 2950 | 2997 | - | 2168 | 1753 |
| 3000 | 3048 | 3020 | 2219 | 1778 |

異徑三通和四通的尺寸 單位為毫米
表6 (續(xù)) 單位為毫米
表6 (續(xù)) 單位為毫米
|
公稱尺寸 DN |
坡口處外徑 D |
中心至端面 | |||||
| 管程 D | 出口 D1 |
管程 C |
出口a M |
||||
| Ⅰ系列 | Ⅱ系列 | Ⅰ系列 | Ⅱ系列 | ||||
| 150×150×125 | 168.3 | 159 | 141.3 | 133 | 143 | 137 | |
| 150×150×100 | 168.3 | 159 | 114.3 | 108 | 143 | 130 | |
| 150×150×90 | 168.3 | - | 101.6 | - | 143 | 127 | |
| 150×150×80 | 168.3 | 159 | 88.9 | 89 | 143 | 124 | |
| 150×150×65 | 168.3 | 159 | 73.0 | 76 | 143 | 121 | |
| 200×200×150 | 219.1 | 219 | 168.3 | 159 | 178 | 168 | |
| 200×200×125 | 219.1 | 219 | 141.3 | 133 | 178 | 162 | |
| 200×200×100 | 219.1 | 219 | 114.3 | 108 | 178 | 156 | |
| 200×200×90 | 219.1 | - | 101.6 | - | 178 | 152 | |
| 250×250×200 | 273.0 | 273 | 219.1 | 219 | 216 | 203 | |
| 250×250×150 | 273.0 | 273 | 168.3 | 159 | 216 | 194 | |
| 250×250×125 | 273.0 | 273 | 141.3 | 133 | 216 | 191 | |
| 250×250×100 | 273.0 | 273 | 114.3 | 108 | 216 | 184 | |
| 300×300×250 | 323.9 | 325 | 273.0 | 273 | 254 | 241 | |
| 300×300×200 | 323.9 | 325 | 219.1 | 219 | 254 | 229 | |
| 300×300×150 | 323.9 | 325 | 168.3 | 159 | 254 | 219 | |
| 300×300×125 | 323.9 | 325 | 141.3 | 133 | 254 | 216 | |
| 350×350×300 | 355.6 | 377 | 323.9 | 325 | 279 | 270 | |
| 350×350×250 | 355.6 | 377 | 273.0 | 273 | 279 | 257 | |
| 350×350×200 | 355.6 | 377 | 219.1 | 219 | 279 | 248 | |
| 350×350×150 | 355.6 | 377 | 168.3 | 159 | 279 | 238 | |
表6 (續(xù)) 單位為毫米
|
公稱尺寸 DN |
坡口處外徑 D |
中心至端面 | ||||
| 管程 D | 出口 D1 |
管程 C |
出口a M |
|||
| Ⅰ系列 | Ⅱ系列 | Ⅰ系列 | Ⅱ系列 | |||
| 400×400×350 | 406.4 | 426 | 355.6 | 377 | 305 | 305 |
| 400×400×300 | 406.4 | 426 | 323.9 | 325 | 305 | 295 |
| 400×400×250 | 406.4 | 426 | 273.0 | 273 | 305 | 283 |
| 400×400×200 | 406.4 | 426 | 219.1 | 219 | 305 | 273 |
| 400×400×150 | 406.4 | 426 | 168.3 | 159 | 305 | 264 |
| 450×450×400 | 457 | 480 | 406.4 | 426 | 343 | 330 |
| 450×450×350 | 457 | 480 | 355.6 | 377 | 343 | 330 |
| 450×450×300 | 457 | 480 | 323.9 | 325 | 343 | 321 |
| 450×450×250 | 457 | 480 | 273.0 | 273 | 343 | 308 |
| 450×450×250 | 457 | 480 | 219.1 | 219 | 343 | 298 |
| 500×500×450 | 508 | 530 | 457 | 480 | 381 | 368 |
| 500×500×400 | 508 | 530 | 406.4 | 426 | 381 | 356 |
| 500×500×350 | 508 | 530 | 355.6 | 377 | 381 | 356 |
| 500×500×300 | 508 | 530 | 323.9 | 325 | 381 | 346 |
| 500×500×250 | 508 | 530 | 273.0 | 273 | 381 | 333 |
| 500×500×200 | 508 | 530 | 219.1 | 219 | 381 | 324 |
| 550×550×500 | 559 | - | 508 | - | 419 | 406 |
| 550×550×450 | 559 | - | 457 | - | 419 | 394 |
| 550×550×400 | 559 | - | 406.4 | - | 419 | 381 |
| 550×550×350 | 559 | - | 355.6 | - | 419 | 381 |
| 550×550×300 | 559 | - | 323.9 | - | 419 | 371 |
| 550×550×250 | 559 | - | 273.0 | - | 419 | 359 |
| 600×600×550 | 610 | - | 559 | - | 432 | 432 |
| 600×600×500 | 610 | 630 | 508 | 530 | 432 | 432 |
| 600×600×450 | 610 | 630 | 457 | 480 | 432 | 419 |
| 600×600×400 | 610 | 630 | 406.4 | 426 | 432 | 406 |
| 600×600×350 | 610 | 630 | 355.6 | 377 | 432 | 406 |
| 600×600×300 | 610 | 630 | 323.9 | 325 | 432 | 397 |
| 600×600×250 | 610 | 630 | 273.0 | 273 | 432 | 384 |
| 650×650×600 | 660 | - | 610 | - | 495 | 483 |
| 650×650×550 | 660 | - | 559 | - | 495 | 470 |
| 650×650×500 | 660 | - | 508 | - | 495 | 457 |
| 650×650×450 | 660 | - | 457 | - | 495 | 444 |
| 650×650×400 | 660 | - | 406.4 | - | 495 | 432 |
| 650×650×350 | 660 | - | 355.6 | - | 495 | 432 |
| 650×650×300 | 660 | - | 323.8 | - | 495 | 422 |
| 700×700×650 | 711 | - | 660 | - | 521 | 521 |
| 700×700×600 | 711 | 720 | 610 | 630 | 521 | 508 |
| 700×700×550 | 711 | - | 559 | - | 521 | 495 |
| 700×700×500 | 711 | 720 | 508 | 530 | 521 | 483 |
| 700×700×450 | 711 | 720 | 457 | 480 | 521 | 470 |
| 700×700×400 | 711 | 720 | 406.4 | 426 | 521 | 457 |
| 700×700×350 | 711 | 720 | 355.6 | 377 | 521 | 457 |
| 700×700×300 | 711 | 720 | 323.8 | 325 | 521 | 448 |
表6 (續(xù)) 單位為毫米
|
公稱尺寸 DN |
坡口處外徑 D |
中心至端面 | |||||||
| 管程 D | 出口 D1 |
管程 C |
出口a M |
||||||
| Ⅰ系列 | Ⅱ系列 | Ⅰ系列 | Ⅱ系列 | ||||||
| 800×800×750 | 813 | - | 762 | - | 597 | 584 | |||
| 800×800×700 | 813 | 820 | 711 | 720 | 597 | 572 | |||
| 800×800×650 | 813 | - | 660 | - | 597 | 572 | |||
| 800×800×600 | 813 | 820 | 610 | 930 | 597 | 559 | |||
| 800×800×550 | 813 | - | 559 | - | 597 | 546 | |||
| 800×800×500 | 813 | 820 | 508 | 530 | 597 | 533 | |||
| 800×800×450 | 813 | 820 | 457 | 480 | 597 | 521 | |||
| 800×800×400 | 813 | 820 | 406.4 | 426 | 597 | 508 | |||
| 800×800×350 | 813 | 820 | 355.6 | 377 | 597 | 508 | |||
| 850×850×800 | 864 | - | 813 | - | 635 | 622 | |||
| 850×850×750 | 864 | - | 762 | - | 635 | 610 | |||
| 850×850×700 | 864 | - | 711 | - | 635 | 597 | |||
| 850×850×650 | 864 | - | 660 | - | 635 | 597 | |||
| 850×850×600 | 864 | - | 610 | - | 635 | 584 | |||
| 850×850×550 | 864 | - | 559 | - | 635 | 572 | |||
| 850×850×500 | 864 | - | 508 | - | 635 | 559 | |||
| 850×850×450 | 864 | - | 457 | - | 635 | 546 | |||
| 850×850×400 | 864 | - | 406.4 | - | 635 | 533 | |||
| 900×900×850 | 914 | - | 864 | - | 673 | 660 | |||
| 900×900×800 | 914 | 920 | 813 | 820 | 673 | 648 | |||
| 900×900×750 | 914 | - | 762 | - | 673 | 635 | |||
| 900×900×700 | 914 | - | 711 | - | 673 | 622 | |||
| 900×900×650 | 914 | - | 660 | - | 673 | 622 | |||
| 900×900×600 | 914 | - | 610 | - | 673 | 610 | |||
| 900×900×550 | 914 | - | 559 | - | 673 | 597 | |||
| 900×900×500 | 914 | - | 508 | - | 673 | 584 | |||
| 900×900×450 | 914 | - | 457 | - | 673 | 572 | |||
| 900×900×400 | 914 | - | 406.4 | - | 673 | 559 | |||
| 950×950×900 | 965 | - | 914 | - | 711 | 711 | |||
| 950×950×850 | 965 | - | 864 | - | 711 | 698 | |||
| 950×950×800 | 965 | - | 813 | - | 711 | 686 | |||
| 950×950×750 | 965 | - | 762 | - | 711 | 673 | |||
| 950×950×700 | 965 | - | 711 | - | 711 | 648 | |||
| 950×950×650 | 965 | - | 660 | - | 711 | 648 | |||
| 950×950×600 | 965 | - | 610 | - | 711 | 635 | |||
| 950×950×550 | 965 | - | 559 | - | 711 | 622 | |||
| 950×950×500 | 965 | - | 508 | - | 711 | 610 | |||
| 950×950×450 | 965 | - | 457 | - | 711 | 597 | |||
| 1000×1000×950 | 1017 | - | 965 | - | 749 | 749 | |||
| 1000×1000×900 | 1017 | 1020 | 914 | 920 | 749 | 737 | |||
| 1000×1000×850 | 1017 | - | 864 | - | 749 | 724 | |||
| 1000×1000×800 | 1017 | - | 813 | - | 749 | 711 | |||
| 1000×1000×750 | 1017 | - | 762 | - | 749 | 698 | |||
| 1000×1000×700 | 1017 | - | 711 | - | 749 | 673 | |||
| 1000×1000×650 | 1017 | - | 660 | - | 749 | 673 | |||
| 1000×1000×600 | 1017 | - | 610 | - | 749 | 660 | |||
表6 (續(xù)) 單位為毫米
|
公稱尺寸 DN |
坡口處外徑 D |
中心至端面 | ||||
| 管程 D | 出口 D1 |
管程 C |
出口a M |
|||
| Ⅰ系列 | Ⅱ系列 | Ⅰ系列 | Ⅱ系列 | |||
| 1000×1000×550 | 1017 | - | 559 | - | 749 | 648 |
| 1000×1000×500 | 1017 | - | 508 | - | 749 | 635 |
| 1000×1000×450 | 1017 | - | 457 | - | 749 | 622 |
| 1050×1050×1000 | 1067 | - | 1016 | - | 762 | 711 |
| 1050×1050×950 | 1067 | - | 965 | - | 762 | 711 |
| 1050×1050×900 | 1067 | - | 914 | - | 762 | 711 |
| 1050×1050×850 | 1067 | - | 864 | - | 762 | 711 |
| 1050×1050×800 | 1067 | - | 813 | - | 762 | 711 |
| 1050×1050×750 | 1067 | - | 762 | - | 762 | 711 |
| 1050×1050×700 | 1067 | - | 711 | - | 762 | 698 |
| 1050×1050×650 | 1067 | - | 660 | - | 762 | 698 |
| 1050×1050×600 | 1067 | - | 610 | - | 762 | 660 |
| 1050×1050×550 | 1067 | - | 559 | - | 762 | 660 |
| 1050×1050×500 | 1067 | - | 508 | - | 762 | 660 |
| 1050×1050×450 | 1067 | - | 457 | - | 762 | 648 |
| 1050×1050×400 | 1067 | - | 406.4 | - | 762 | 635 |
| 1100×1100×1050 | 1118 | - | 1067 | - | 813 | 762 |
| 1100×1100×1000 | 1118 | 1120 | 1016 | 1020 | 813 | 749 |
| 1100×1100×950 | 1118 | - | 965 | - | 813 | 737 |
| 1100×1100×900 | 1118 | - | 914 | - | 813 | 724 |
| 1100×1100×850 | 1118 | - | 864 | - | 813 | 724 |
| 1100×1100×800 | 1118 | - | 813 | - | 813 | 711 |
| 1100×1100×750 | 1118 | - | 762 | - | 813 | 711 |
| 1100×1100×700 | 1118 | - | 711 | - | 813 | 698 |
| 1100×1100×650 | 1118 | - | 660 | - | 813 | 698 |
| 1100×1100×600 | 1118 | - | 610 | - | 813 | 698 |
| 1100×1100×550 | 1118 | - | 559 | - | 813 | 686 |
| 1100×1100×500 | 1118 | - | 508 | - | 813 | 686 |
| 1150×1150×1100 | 1168 | - | 1118 | - | 851 | 800 |
| 1150×1150×1050 | 1168 | - | 1067 | - | 851 | 787 |
| 1150×1150×1000 | 1168 | - | 1016 | - | 851 | 775 |
| 1150×1150×950 | 1168 | - | 965 | - | 851 | 762 |
| 1150×1150×900 | 1168 | - | 914 | - | 851 | 762 |
| 1150×1150×850 | 1168 | - | 864 | - | 851 | 749 |
| 1150×1150×800 | 1168 | - | 813 | - | 851 | 749 |
| 1150×1150×750 | 1168 | - | 762 | - | 851 | 737 |
| 1150×1150×700 | 1168 | - | 711 | - | 851 | 737 |
| 1150×1150×650 | 1168 | - | 660 | - | 851 | 737 |
| 1150×1150×600 | 1168 | - | 610 | - | 851 | 724 |
| 1150×1150×550 | 1168 | - | 559 | - | 851 | 724 |
| 1200×1200×1150 | 1219 | - | 1168 | - | 889 | 838 |
| 1300×1300×1200 | 1321 | - | 1219 | 1200 | 965 | 864 |
| 1300×1300×1100 | 1321 | - | 1118 | - | 965 | 864 |
| 1300×1300×1000 | 1321 | - | 1016 | 1020 | 965 | 762 |
| 1300×1300×900 | 1321 | - | 914 | 920 | 965 | 762 |
| 1300×1300×800 | 1321 | - | 813 | 820 | 965 | 762 |
| 1400×1400×1300 | 1422 | 1420 | 1321 | 1320 | 1041 | 914 |
| 1400×1400×1200 | 1422 | 1420 | 1219 | 1220 | 1041 | 864 |
| 1400×1400×1100 | 1422 | 1420 | 1118 | 1120 | 1041 | 813 |
| 1400×1400×1000 | 1422 | 1420 | 1016 | 1020 | 1041 | 813 |
| 1400×1400×900 | 1422 | 1420 | 914 | 920 | 1041 | 813 |
| 1500×1500×1400 | 1524 | - | 1422 | - | 1118 | 965 |
| 1500×1500×1300 | 1524 | - | 1321 | - | 1118 | 914 |
| 1500×1500×1200 | 1524 | - | 1219 | - | 1118 | 864 |
| 1500×1500×1100 | 1524 | - | 1118 | - | 1118 | 864 |
| 1500×1500×1000 | 1524 | - | 1016 | - | 1118 | 864 |
| 1600×1600×1500 | 1626 | 1620 | 1524 | - | 1133 | 1006 |
| 1600×1600×1400 | 1626 | 1620 | 1422 | 1420 | 1082 | 966 |
| 1600×1600×1300 | 1626 | 1620 | 1321 | - | 1032 | 915 |
| 1600×1600×1200 | 1626 | 1620 | 1219 | 1220 | 981 | 915 |
| 1600×1600×1100 | 1626 | 1620 | 1118 | - | 930 | 915 |
| 1700×1700×1600 | 1727 | - | 1626 | 1620 | 1208 | 1068 |
| 1700×1700×1500 | 1727 | - | 1524 | - | 1157 | 1016 |
| 1700×1700×1400 | 1727 | - | 1422 | 1420 | 1106 | 967 |
| 1800×1800×1700 | 1829 | 1820 | 1727 | - | 1272 | 1118 |
| 1800×1800×1600 | 1829 | 1820 | 1626 | 1620 | 1222 | 1068 |
| 1800×1800×1500 | 1829 | 1820 | 1524 | - | 1171 | 1016 |
| 1800×1800×1400 | 1829 | 1820 | 1422 | 1420 | 1120 | 1016 |
| 1800×1800×1300 | 1829 | 1820 | 1321 | - | 1069 | 1016 |
| 1900×1900×1800 | 1930 | - | 1929 | 1820 | 1397 | 1168 |
| 1900×1900×1700 | 1930 | - | 1727 | - | 1296 | 1118 |
| 1900×1900×1600 | 1930 | - | 1626 | 1620 | 1245 | 1068 |
| 1900×1900×1500 | 1930 | - | 1524 | - | 1194 | 1068 |
| 1900×1900×1400 | 1930 | - | 1422 | 1420 | 1143 | 1068 |
| 2000×2000×1900 | 2032 | 2020 | 1930 | - | 1419 | 1220 |
| 2000×2000×1800 | 2032 | 2020 | 1829 | 1820 | 1369 | 1168 |
| 2000×2000×1700 | 2032 | 2020 | 1727 | - | 1318 | 1118 |
| 2000×2000×1600 | 2032 | 2020 | 1626 | 1620 | 1267 | 1118 |
| 2000×2000×1500 | 2032 | 2020 | 1524 | - | 1216 | 1118 |
| 2100×2100×2000 | 2134 | - | 2032 | 2020 | 1493 | 1271 |
| 2100×2100×1900 | 2134 | - | 1930 | - | 1442 | 1220 |
| 2100×2100×1800 | 2134 | - | 1829 | 1820 | 1392 | 1168 |
| 2100×2100×1700 | 2134 | - | 1727 | - | 1341 | 1168 |
| 2100×2100×1600 | 2134 | - | 1626 | 1620 | 1290 | 1168 |
| 2200×2200×2100 | 2235 | 2220 | 2134 | 1567 | 1321 | |
| 2200×2200×2000 | 2235 | 2220 | 2032 | 2020 | 1516 | 1271 |
| 2200×2200×1900 | 2235 | 2220 | 1930 | 1465 | 1220 | |
| 2200×2200×1800 | 2235 | 2220 | 1829 | 1820 | 1414 | 1220 |
| 2200×2200×1700 | 2235 | 2220 | 1727 | 1363 | 1220 | |
| 2300×2300×2200 | 2337 | - | 2235 | 2220 | 1651 | 1372 |
| 2300×2300×2100 | 2337 | - | 2134 | - | 1601 | 1321 |
| 2300×2300×2000 | 2337 | - | 2032 | 2020 | 1550 | 1271 |
| 2300×2300×1900 | 2337 | - | 1930 | - | 1499 | 1271 |
| 2300×2300×1800 | 2337 | - | 1829 | 1820 | 1448 | 1271 |
| 2400×2400×2300 | 2438 | 2420 | 2337 | 2220 | 1738 | 1423 |












